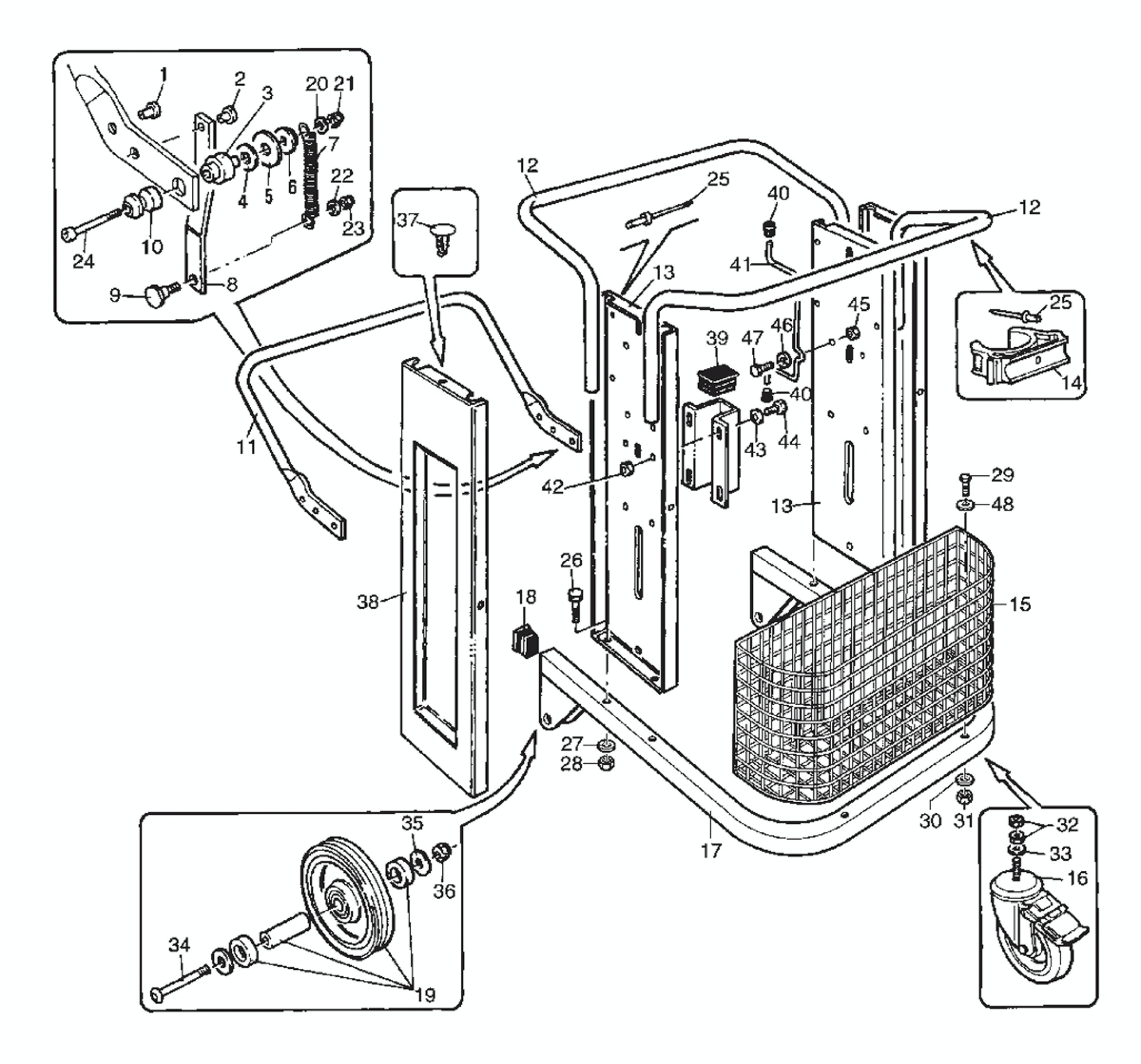
To purchase parts for the CAV 26 Vacuum (Frame Assembly):
- Reference the part needed from the parts diagram and refer to the parts list below.
- Copy the Part Number and paste it into the search window above to see availability and pricing.
- Confirm your parts selection and "Add To Cart".
Item | Part Number | QTY | Description | Item | Part Number | QTY | Description | Item | Part Number | QTY | Description | ||
1 | 814087 | 2 | PIN CAV-26 | 17 | 836196 | 1 | CART CAV 26 | 33 | 980648 | 2 | WASH-17/32 ID X 1&1/16 OD PLN | ||
2 | 814084 | 2 | PIN CAV-26 | 18 | 840035 | 2 | PLUG CAV 26 | 34 | 80315A | 2 | SCREW M10 X 65 HHC | ||
3 | 814262 | 2 | PIN CAV 26 | 19 | 840581 | 2 | WHEEL CART CAV-26 | 35 | 229044 | 2 | WASHER, o 10 | ||
4 | 838033 | 2 | WASHER CAV 26 | 20 | 229102 | 2 | WASHER, o 8 | 36 | 80162A | 2 | NUT M10-1.5 HEX | ||
5 | 838034 | 2 | WASHER CAV 26 | 21 | 80312A | 2 | NUT M8X1.25 NYLON LOCK DIN 985 | 37 | 838038 | 6 | RIVET CAV 26 | ||
6 | 814266 | 2 | WASHER CAV 26 | 22 | 229102 | 2 | WASHER, o 8 | 38 | 816380 | 2 | CART SIDE CAV 26 | ||
7 | 814267 | 2 | SPRING CAV 26 | 23 | 80312A | 2 | NUT M8X1.25 NYLON LOCK DIN 985 | 39 | 840396 | 2 | PLUG CAV-26 | ||
8 | 814256 | 2 | SHEAVE CAV 26 | 24 | 58050A | 2 | Screw M8 x 75 Soc. Hd. | 40 | 840407 | 2 | PUSHROD CAV-26 | ||
9 | 814261 | 2 | PIN CAV 26 | 25 | 83002A | 9 | RIVET-1/4 DIA X .490 POP | 41 | 816177 | 1 | CABLE SUPPORT CAV 26 | ||
10 | 814259 | 2 | BUSHING LEVER CAV 26 | 26 | 98456A | 4 | SCREW M8 X 50 HEX HD CAP | 42 | 80163A | 4 | NUT M8-1.25 HEX | ||
11 | 814258 | 1 | LEVER CAV 26 | 27 | 229102 | 4 | WASHER, o 8 | 43 | 229102 | 6 | WASHER, o 8 | ||
12 | 818513 | 2 | HANDGRIP CAV 26 | 28 | 80163A | 4 | NUT M8-1.25 HEX | 44 | 964058 | 6 | SCR M 8.0X1.25X 16 HX ST | ||
13 | 818506 | 2 | PILLAR CAV 26 | 29 | 80314A | 4 | SCREW M8 X 65 HHC | 45 | 80163A | 4 | NUT M8-1.25 HEX | ||
14 | 840392 | 1 | COLLAR CAV 26 | 30 | 229102 | 4 | WASHER, o 8 | 46 | 980205 | 2 | WASHER .312 ID/1.06 OD/.075THK | ||
15 | 816060 | 1 | BASKET CAV-26 | 31 | 80163A | 4 | NUT M8-1.25 HEX | 47 | 1803337 | 2 | SCREW M8 X 25 | ||
16 | 840582 | 2 | CASTER CART CAV-26 | 32 | 920936 | 2 | NUT M 12 DIN 934 | 48 | 229102 | 4 | WASHER, o 8 |