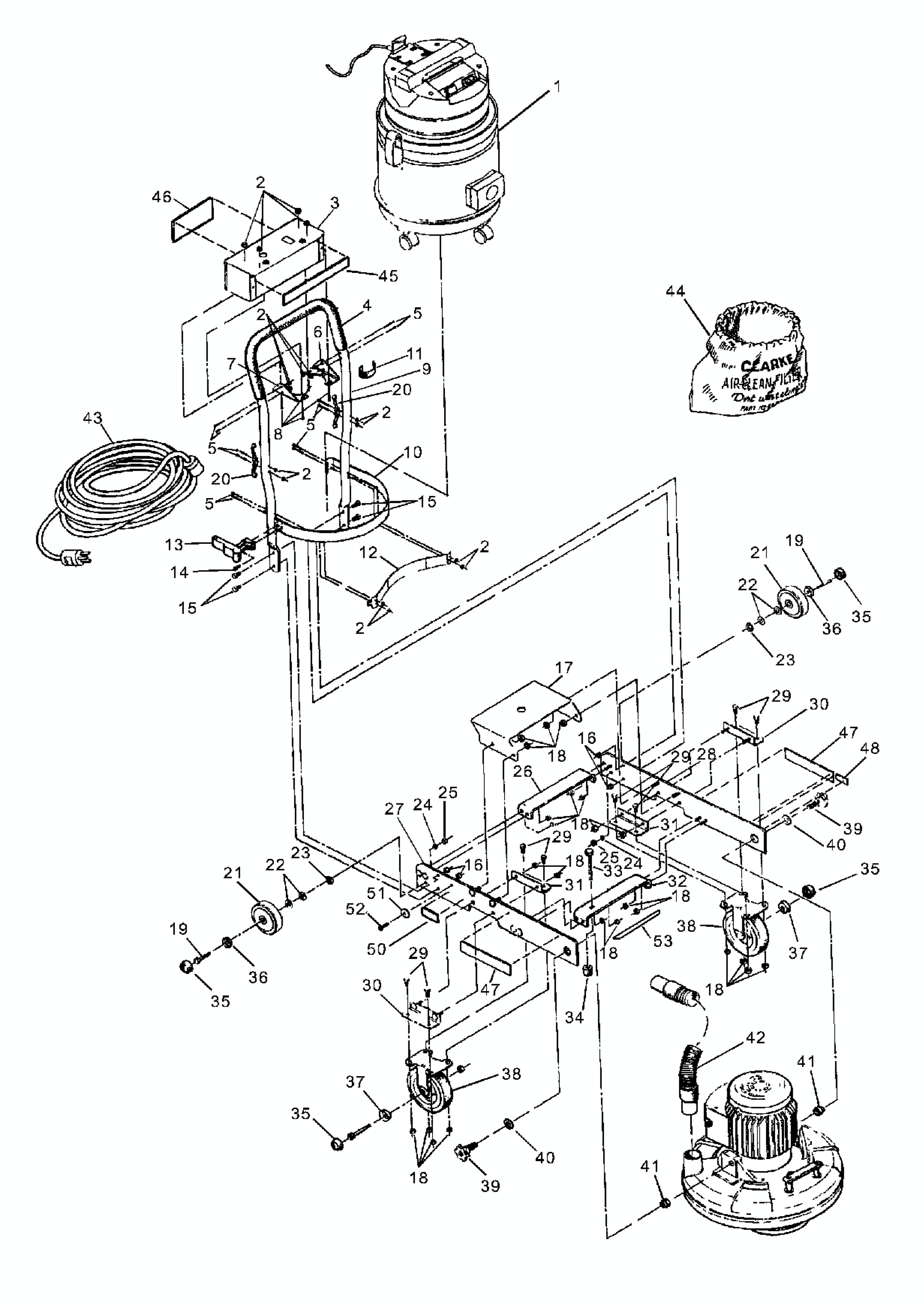
| Item | Part Number | QTY | Description | | Item | Part Number | QTY | Description |
| 1 | 02082A | 1 | D.T.V. 7 50/60 230V | | 27 | 63548A | 1 | FRAME WLDMTRIGHT TRUCK PNTD |
| 2 | 920296 | 16 | NUT 10-24 ELASTIC STOP | | 28 | 63547A | 1 | FRAME WLDMTLEFT TRUCK PNTD |
| 3 | 10774A | 1 | BOX ASM ELECTRIC 3DS | | 29 | 962244 | 8 | BOLT 3/8-16 X HHCS |
| 4 | 98622A | 1 | HANDLE GRIP TUBE | | 30 | 69915A | 2 | BRACKET WLDMT PNTD 3DS |
| 5 | 962862 | 12 | SCREW 10-24 X 1 1/2 PN ST MAC | | 31 | 69916A | 2 | BRACKETINSIDE WHEEL PNTD |
| 6 | 69917A | 1 | BRACKETELEC. BOX LEFT PNTD | | 32 | 69666A | 1 | STRAP HEAD ADJ. PNTD |
| 7 | 69918A | 1 | BRKT ELEC BOX RIGHT PNTD | | 33 | 80046A | 1 | BOLT3/8-16X3 HEX HD PRESSURE |
| 8 | 962666 | 4 | SCR 10-24X 3/4 PAN HEAD PHILL | | 34 | 31243A | 1 | BUMPERHEAD PRESSURE 3DS |
| 9 | 54935A | 1 | HANDLEFRAME 3DS | | 35 | 52068A | 4 | CAP HUB 3DS |
| 10 | 69683A | 1 | STRAP VACUUM | | 36 | 59891A | 2 | WASHER 1/2 HUBCAP 3DS |
| 11 | 57427A | 1 | RETAINER POWER CORD IMAGE 14 | | 37 | 59892A | 2 | WASHER, 3/8 HUBCAP |
| 12 | 69668A | 1 | STRAPBACK VACUUM 3DS | | 38 | 59973A | 2 | WHEEL ASM CASTER 3DS SANDER |
| 13 | 55725A | 1 | LATCH DRAW | | 39 | 25202A | 2 | KNOBHANDLE ADJ. 3DS |
| 14 | 930117 | 2 | Rivet - 3/16 Dia. Pop SS | | 40 | 87053A | 2 | WASHERFLAT 5/8 HARDENED |
| 15 | 85811A | 4 | BOLT 5/16-18 X 3/4 HX HD | | 41 | 58421A | 2 | SPACERECCENTRIC TRUCK FRAME |
| 16 | 920110 | 4 | NUT LK 5/16-18 REGPLTD | | 42 | 54891A | 1 | HOSE SQ. FIXED STV/PTV 15 |
| 17 | 69667A | 1 | STRAPVAC SUPPORT | | 43 | 11677A | 1 | CORD ASM POWER 3DS |
| 18 | 920342 | 24 | NUT LK 3/8-16 REG | | 44 | 650621 | 1 | BAG FILTER DACRON 600A |
| 19 | 80047A | 2 | BOLTSHOULDER 1/2DIA X 1-3/4 | | 45 | 77370A | 1 | LABEL 3DS 1 |
| 20 | 52959A | 2 | CLEAT,POWER CORD(3DS) | | 46 | 77371A | 1 | LABEL ALTO 2.75 |
| 21 | 59940A | 2 | WHEEL4X1 1/4 W/ 1/2X1 3/8 HUB | | 47 | 77373A | 1 | LABEL AMERICAN SANDER .65 |
| 22 | 980648 | 4 | WASH-17/32 ID X 1&1/16 OD PLN | | 48 | 77078A | 1 | PLATEWARNING FEET 1700 II |
| 23 | 87627A | 2 | WASHER.875 O.D. BOWED | | 50 | 77220A | 1 | LABEL SERIAL |
| 24 | 170883 | 2 | WASHER LK 3/8 REGPLTD | | 51 | 77221A | 1 | SERIAL PLATE |
| 25 | 920260 | 2 | NUT 3/8 -16 HEX | | 52 | 930093 | 1 | POP RIVET 1/8X1/4-5/16 |
| 26 | 69665A | 1 | STRAP TILT PNTD 3DS | | 53 | 97100A | 1 | TRIMVINYLBLACK400 FT. SPOOL |