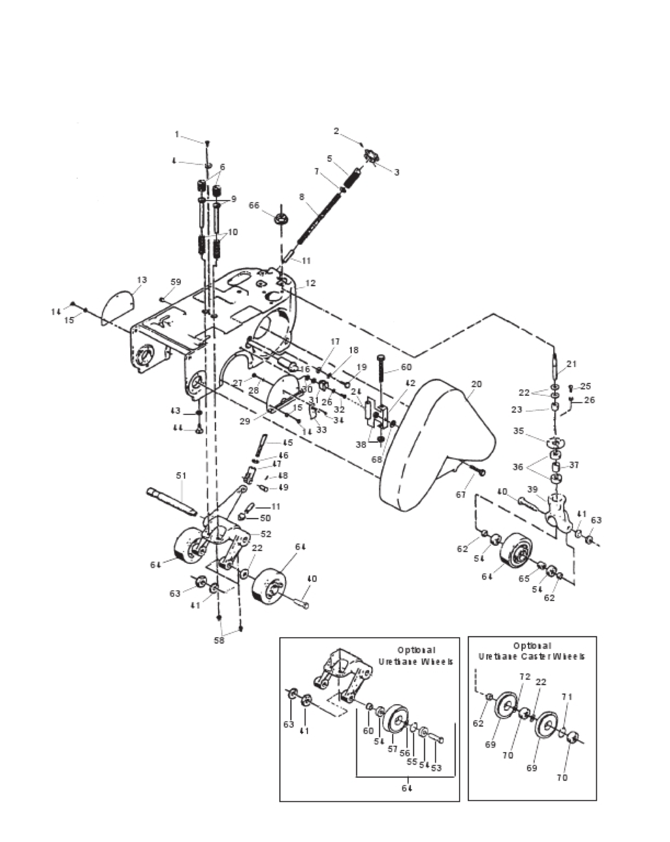
To purchase parts for the American 8 (Base Assembly):
- Reference the part needed from the parts diagram and refer to the parts list below.
- Copy the Part Number and paste it into the search window above to see availability and pricing.
- Confirm your parts selection and "Add To Cart".
Item | Part Number | Qty | Description | Item | Part Number | Qty | Description | Item | Part Number | Qty | Description | ||
1 | 962052 | 1 | SCR 10-24X 1/2 FT ST MACH | 25 | 962823 | 3 | SCR 1/4-20 X 1/2 PN ST PH | 49 | 66503A | 1 | PIN | ||
2 | 962161 | 2 | SCR 10-24X 3/8 ST ST CUPPT | 26 | 980657 | 4 | WASHER LOCK 1/4 STD | 50 | 62000A | 1 | NUT-END | ||
3 | 25200C | 1 | KNOB HAND - BLACK | 27 | 920112 | 2 | NUTHX 6-32 | 51 | 67412A | 1 | SHAFT-LEVER CONT | ||
4 | 66912A | 1 | RETAINER-SCREW ADJUSTING | 28 | 980607 | 2 | WASHER 6 EXT TOOTH PLTD | 52 | 21101A | 1 | BRACKET-WHEEL | ||
5 | 67309A | 1 | SCREW DRUM PRESSURE ADJ. AME | 29 | 66627A | 1 | WHEEL-TRUCK COVER | 53 | 60547A | 2 | AXLE WHEEL ASM KIT | ||
6 | 67315A | 2 | SCR | 30 | 87004A | 2 | Washer, Fit St | 54 | 56106070 | 6 | BEARING BALL Z22 | ||
7 | 87000A | 1 | WASHER .39X.75X.09 FLAT ST | 31 | 61600A | 1 | CLIP-DUST | 55 | 167312 | 2 | RING RETAIN 40137 | ||
8 | 67905A | 1 | SPRING | 32 | 962983 | 1 | SCR 1/4 -20X 5/8 PN ST MACH | 56 | 60481A | 2 | SPACER | ||
9 | 66123A | 2 | PLUNGER | 33 | 63904A | 1 | CLAMPSPRINGBELT GUARD AM-8 | 57 | 50992A | 2 | WHEEL ASM TRUCK | ||
10 | 67906A | 2 | SPRING AMERICAN 8/12 | 34 | 85313C | 2 | SCREW 6-32 X 3/8 PAN HD | 58 | 54000A | 2 | FITTING-LUB | ||
11 | 67107A | 1 | ROD-PIVOT | 35 | 66913A | 1 | RETAINER BEARING | 59 | 57101A | 1 | PLUG-SOFT | ||
12 | 23405B | 1 | FRAME MAIN AM-8 | 36 | 51112A | 2 | BEARING 6202 | 60 | 60544A | 2 | SPACER WHEEL ASM KIT | ||
13 | 66628C | 1 | COVER TRUCK WHEEL | 37 | 67821A | 1 | SPACER DRUM SANDER | 62 | 67810A | 2 | SPACER | ||
14 | 962015 | 6 | SCREW 10-24 X 3/8 PN ST PH | 38 | 81102A | 2 | NUT STOP ELASTIC 1/4-20 HEX | 63 | 920196 | 3 | NUT-1/2-13 HEX JAM | ||
15 | 980650 | 6 | WASH .19 x .34 x .04 LOCK | 39 | 29403C | 1 | YOKE WHEEL - BLACK | 64 | 59928A | 3 | WHEELSTEEL AM 8&12 | ||
16 | 62801A | 1 | ECCENTRIC-CONTROL SHAFT | 40 | 60101A | 3 | AXLE | 10243A | - | WHEEL ASM URETHANE | |||
17 | 87007A | 1 | WASHER-CONTROL SHAFT ECCENTRIC | 41 | 87101A | 3 | WASHER LOCK 1/2 NOM | 65 | 67817A | 1 | SPACER | ||
18 | 980614 | 1 | WASHER LK 1/4 EXT TOOTHPLTD | 42 | 51071A | 1 | BRACKET LATCH | 66 | 81209A | 1 | NUT LARGE FLANGE 1/2-13 | ||
19 | 85700A | 1 | SCR 1/4 -20X1 HX ST CAP | 43 | 920160 | 1 | NUT-5/16-18 HEX JAM | 67 | 85806A | 1 | SCREW 1/4-20 X 3/4 HX SZ CAP | ||
20 | 70224B | 1 | Kit Guard, Belt | 44 | 86201A | 1 | SCR 5/16-18X1 ST ST CUP PT | 68 | 87007A | 1 | WASHER-CONTROL SHAFT ECCENTRIC | ||
21 | 60715B | 1 | BOLTPIVOTAMERICAN 8 & 12 | 45 | 67143A | 1 | ROD CONTROL AM-8 | 69 | 61333A | 2 | CASTER WHEEL 4 | ||
22 | 87003A | 4 | WASHER .59X1.00X.09 FLAT ST | 46 | 920260 | 1 | NUT 3/8 -16 HEX | 70 | 51226A | 4 | BEARING BALL 6002 | ||
23 | 67812A | 1 | SPACER-BRKT CASTER | 47 | 53917B | 1 | CLEVIS CONTROL ROD | 71 | 747304 | 2 | RING RETAIN ARM BRG 37 | ||
24 | 51069A | 1 | TUBE LATCH | 48 | 925036 | 1 | PIN-3/32X3/4 COTTER | 72 | 61355A | 2 | SPACERCASTER WHEEL AM 8&12 |