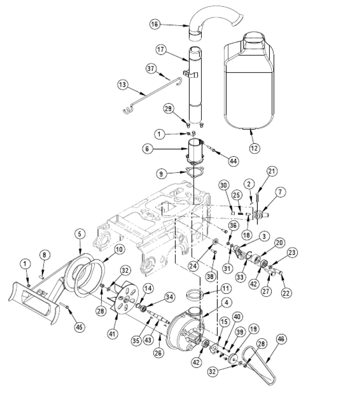
To purchase parts for the American 12 (Dust Control):
- Reference the part needed from the parts diagram and refer to the parts list below.
- Copy the Part Number and paste it into the search window above to see availability and pricing.
- Confirm your parts selection and "Add To Cart".
Item | Part Number | Qty | Description | Item | Part Number | Qty | Description | Item | Part Number | Qty | Description | ||
1 | 920256 | 2 | NUT-5/16-18 HEX | 17 | 66110A | 1 | PIPE ASM DUST AM 8/12 | 33 | 877304 | 1 | RINGRETAININGINTERNAL8 BEL | ||
2 | 925036 | 1 | PIN-3/32X3/4 COTTER | 18 | 66115A | 1 | PLUNGER | 34 | 902567 | 1 | BEARING BALLDOUBLE SEALED | ||
3 | 20401B | 1 | IDLER ARM BLACK | 19 | 66172A | 1 | PULLEY FAN AM-12 | 35 | 915028 | 2 | KEY 1/8 X 5/8 WDRF 5 | ||
4 | 24504C | 1 | FAN HOUSING - BLACK | 20 | 66173A | 1 | PULLEY IDLER AM-12 | 36 | 920148 | 1 | NUT 3/8 -16 HEX JAM | ||
5 | 26102A | 1 | PAN-DUST | 21 | 66505A | 1 | PIN-HINGE YOKE | 37 | 925044 | 1 | PIN-3/32X1 COTTER | ||
6 | 27801C | 1 | SUPPORT - DUST PIPE | 22 | 67413A | 1 | SHAFT | 38 | 962288 | 2 | SCREW 3/8-16 X 1.0 HX ST CAP | ||
7 | 29402A | 1 | YOKE | 23 | 67815A | 1 | SPACER-BEARING-IDLER PULLEY | 39 | 962823 | 3 | SCR 1/4-20 X 1/2 PN ST PH | ||
8 | 30501A | 1 | BUSHING | 24 | 67816A | 1 | SPACER | 40 | 980657 | 3 | WASHER LOCK 1/4 STD | ||
9 | 34223A | 1 | GASKET-SUPPORT PIPE | 25 | 67908A | 1 | SPRING | 41 | 23300A | 1 | FAN | ||
10 | 34224A | 1 | GASKET | 26 | 68002A | 1 | STUD | 42 | 51111A | 2 | BEARINGBALL | ||
11 | 39704A | 1 | WASHER-FELT | 27 | 68101A | 1 | STUD | 43 | 67424A | 1 | SHAFT-FAN | ||
12 | 50954A | 1 | BAG DUST SANDERS | 28 | 81202A | 2 | NUT 7/16-14 HX ST LH | 44 | 85816A | 1 | SCREW 5/16-18 X 1 3/4 HX HD | ||
13 | 60401A | 1 | ARM-CABLE | 29 | 85820A | 3 | SCREW 3/8-16 X 5/8 HX CAP G5 | 45 | 85817A | 1 | SCREW5/16-18 X 2.0 HEX HD GR5 | ||
14 | 61602A | 1 | COLLAR | 30 | 86202A | 1 | SCR 5/8 -11X 5/8 ST ST | 46 | AS030400 | 1 | BELT, 3L350 | ||
15 | 62001A | 1 | CAP-BEARING | 31 | 87000A | 1 | WASHER .39X.75X.09 FLAT ST | AS018600 | BELT, 3V, 35.5" (07001A After Ser.# SO27545) | ||||
16 | 62800A | 1 | PIPE ASSY | 32 | 87002A | 2 | WASHERFLAT |