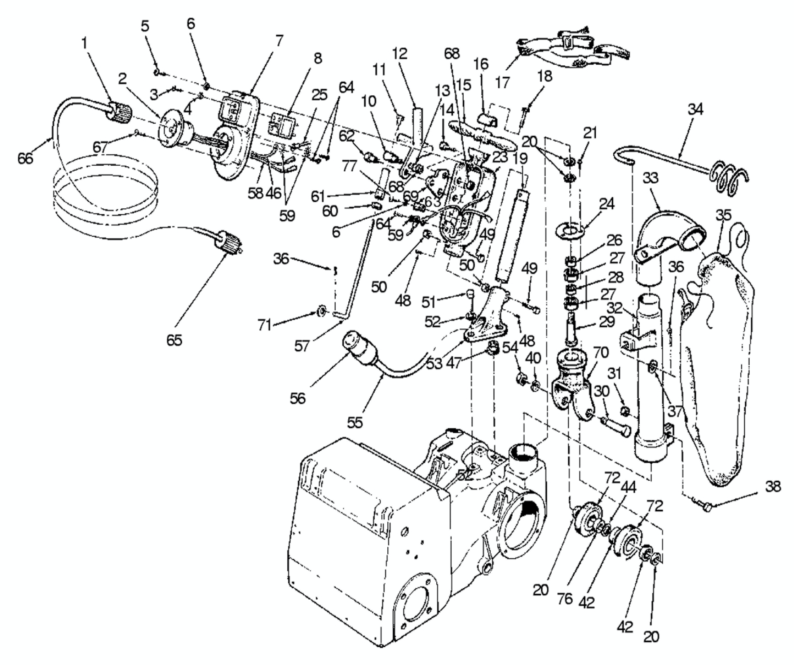
To purchase parts for the CLASSIC 12 (Assembly 3):
- Reference the part needed from the parts diagram and refer to the parts list below.
- Copy the Part Number and paste it into the search window above to see availability and pricing.
- Confirm your parts selection and "Add To Cart".
Item | Part Number | QTY | Description | Item | Part Number | QTY | Description | Item | Part Number | QTY | Description | ||
1 | 41706A | 1 | CONNECTOR ELECT. NEMA L6-20R | 27 | 51112A | 2 | BEARING 6202 | 55 | 41917A | 1 | CORD-INTERCONNECTING | ||
2 | 43501A | 1 | INLETFLANGED NEMA L6-20P | 28 | 67821A | 1 | SPACER DRUM SANDER | 56 | 41707A | 1 | CONNECTOR ELECT. NEMA L6-30R | ||
3 | 85313C | 4 | SCREW 6-32 X 3/8 PAN HD | 29 | 60715B | 1 | BOLTPIVOTAMERICAN 8 & 12 | 57 | 67153A | 1 | RODCONTROLCLASSIC 12 | ||
4 | 980607 | 4 | WASHER 6 EXT TOOTH PLTD | 30 | 60101A | 1 | AXLE | 58 | 49023A | 2 | WIRE ASSEMBLY | ||
5 | 84808A | 5 | SCREW 10-24 X 3/4 RD SZ PH | 31 | 920342 | 1 | NUT LK 3/8-16 REG | 59 | 980699 | 3 | WASHER SH 1210-00 | ||
6 | 980650 | 7 | WASH .19 x .34 x .04 LOCK | 32 | 66150A | 1 | PIPE WLDMT DUST CLASSIC 8 | 60 | 920148 | 1 | NUT 3/8 -16 HEX JAM | ||
7 | 22127C | 1 | COVER SWITCH BOX - BLACK | 33 | 62800A | 1 | PIPE ASSY | 61 | 67129A | 1 | ADJUSTERCONTROL ROD8 BELT S | ||
8 | 41411A | 1 | CIRCUIT BREAKER 30 AMP | 34 | 60401A | 1 | ARM-CABLE | 62 | 80022A | 1 | BOLT SHOULDER 1/2 X 5/8 | ||
10 | 66151A | 1 | PIVOT CONTROL ROD | 35 | 50954A | 1 | BAG DUST SANDERS | 63 | 51074A | 2 | CLAMP CABLE | ||
11 | 80021A | 1 | BOLT SHOULDER 3/8 X 5/8 | 36 | 925036 | 2 | PIN-3/32X3/4 COTTER | 64 | 962015 | 3 | SCREW 10-24 X 3/8 PN ST PH | ||
12 | 25601A | 1 | LEVER CONTROL CLASSIC 8 | 37 | 980651 | 1 | WASHER 5/16 SAE FLAT | 65 | 45608A | 1 | PLUGELECTRICAL NEMA L6-20P | ||
13 | 980646 | 1 | WASHER 1/4 SAE FLAT PLTD | 38 | 962288 | 1 | SCREW 3/8-16 X 1.0 HX ST CAP | 66 | 42201A | 1 | CORDSET- HARD SERVICE 100FT | ||
14 | 962481 | 2 | SCR 1/4-20 X 1-1/4 HEX ST CAP | 40 | 87101A | 1 | WASHER LOCK 1/2 NOM | 42302A | 1 | CORD,POWER,240 V, CLASSIC 8 | |||
15 | 64405A | 1 | HANDLE-STEERING | 42 | 902606 | 4 | BEARING BALL 6002 | 67 | 962065 | 3 | SCREW 8-32 X 1/4 PN ST PH | ||
16 | 21904C | 1 | CLAMP STEERING HANDLE - BLACK | 44 | 747304 | 2 | RING RETAIN ARM BRG 37 | 68 | 920284 | 3 | NUTSTOPELASTIC1/4-20HEAVY | ||
17 | 60724A | 1 | BELT-OPERATING | 46 | 48900A | 1 | WIRE ASSY | 69 | 66694A | 1 | PLATECONTROL LEVERPNTD8 BE | ||
18 | 85818A | 1 | SCREW5/16-18 X 2 1/2 HX HD | 47 | 81209A | 1 | NUT LARGE FLANGE 1/2-13 | 70 | 29403C | 1 | YOKE WHEEL - BLACK | ||
19 | 66116C | 1 | HANDLE PIPE- BLACK | 48 | 86200A | 2 | SCR 3/8 -16X 5/8 ST ST DOGPT | 71 | 980645 | 1 | WASHER 3/8 FLAT SAE | ||
20 | 87003A | 4 | WASHER .59X1.00X.09 FLAT ST | 49 | 85816A | 2 | SCREW 5/16-18 X 1 3/4 HX HD | 72 | 19611A | 2 | WHEEL ASM CASTER 80 A | ||
21 | 962823 | 3 | SCR 1/4-20 X 1/2 PN ST PH | 50 | 920110 | 2 | NUT LK 5/16-18 REGPLTD | 73 | 59810A | 2 | WRENCH-PAPER CLAMP 9/16 X 7/1 | ||
23 | 20704C | 1 | SWITCH BOX - BLACK | 51 | 962216 | 3 | SCREW 3/8-16 X 1-1/4 HX HD | 74 | 38109A | 1 | SEAL DUST PIPE FLOOR SANDERS | ||
24 | 66913A | 1 | RETAINER BEARING | 52 | 980638 | 3 | LOCKWASHER 3/8 LT SPRING TYPE | 75 | 77039B | 1 | LABEL MADE IN THE USA | ||
25 | 48901A | 1 | WIRE ASSEMBLY | 53 | 21105C | 1 | HANDLE MOUNT - BLACK | 76 | 67810A | 1 | SPACER | ||
26 | 67812A | 1 | SPACER-BRKT CASTER | 54 | 920196 | 1 | NUT-1/2-13 HEX JAM | 77 | 85517A | 2 | SCREW 10-24X1/2 PN SB TP-T PH |