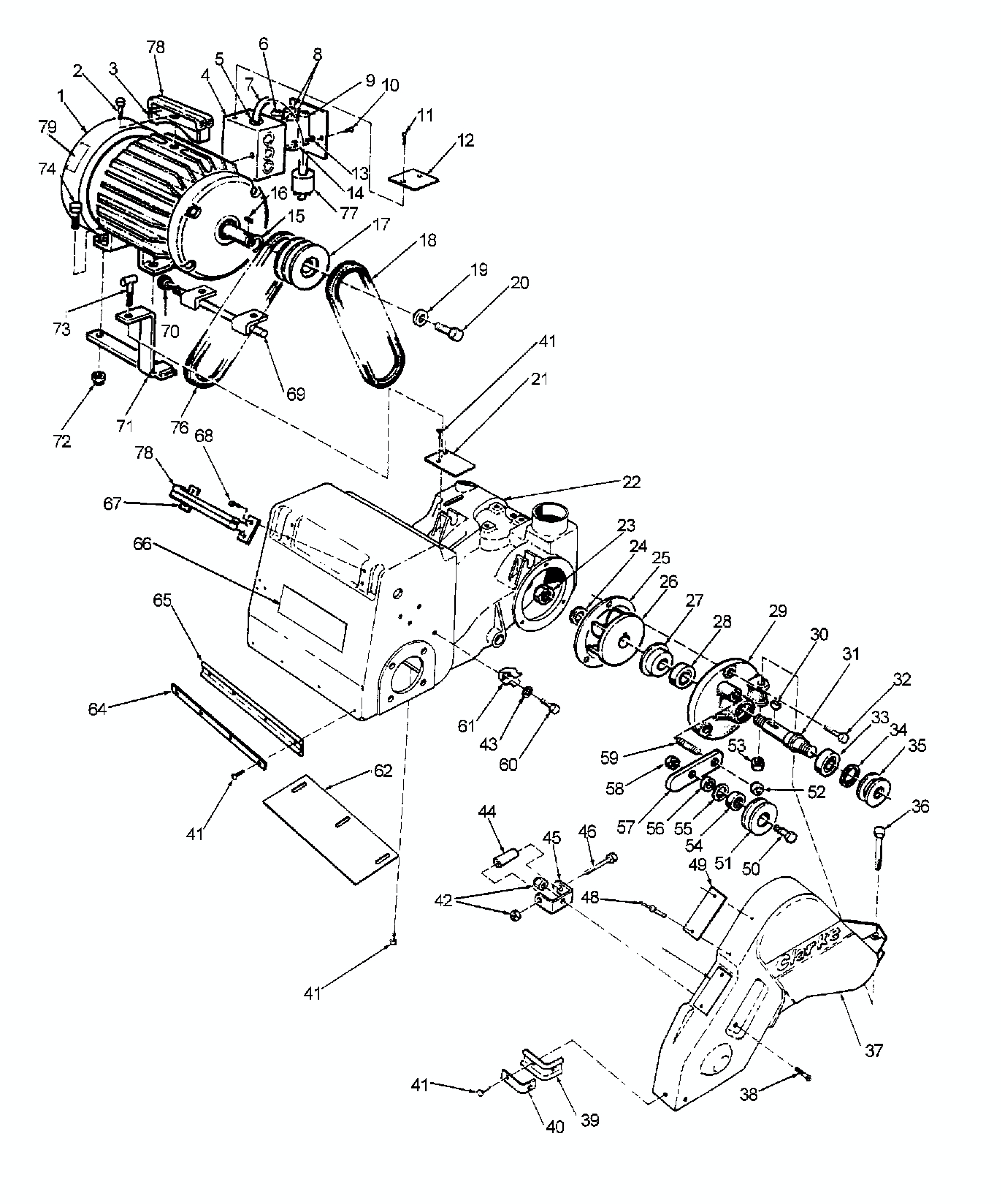
To purchase parts for the CLASSIC 12 (Assembly 2):
- Reference the part needed from the parts diagram and refer to the parts list below.
- Copy the Part Number and paste it into the search window above to see availability and pricing.
- Confirm your parts selection and "Add To Cart".
Item | Part Number | QTY | Description | Item | Part Number | QTY | Description | Item | Part Number | QTY | Description | ||
1 | 44644A | 1 | MOTOR,4 HP,230 V/60 HZ (CLASS | 30 | 65302A | 1 | KEY-WOODRUFFSPECIAL | 58 | 171101 | 1 | NUT LK-FLANGE 3/8-16 PLTD | ||
44646A | 1 | MOTOR,3HP,240V/50HZ(CLASSIC 12 | 31 | 67445A | 1 | SHAFTFAN8 BELT SANDER | 59 | 68010A | 1 | STUDIDLER ARM8 BELT SANDER | |||
2 | 962870 | 1 | SCR 3/8 -16X1 BT ST ALLEN | 32 | 85813A | 3 | SCREW 5/16-18 X 1 HX HD | 60 | 86111A | 1 | SCREW1/4-20 X 1/2SOCKET HEAD | ||
3 | 64460A | 1 | HANDLE WLDMTMOTOR LIFTPNTD8 | 33 | 51111A | 1 | BEARINGBALL | 61 | 61600A | 1 | CLIP-DUST | ||
4 | 13900A | 1 | Enclosure, Asm. | 34 | 877304 | 1 | RINGRETAININGINTERNAL8 BEL | 62 | 67611A | 1 | SHOE,DUST,CLASSIC 12 | ||
5 | 191775 | 1 | Bushing - Strain Relief | 35 | 66117A | 1 | PULLEY-SHAFT-FAN | 63 | 170674 | 2 | CONNECTORWIRE NUT-RED | ||
6 | 47378A | 1 | SWITCH MOTOR STARTING CLASSI | 66169A | 1 | PULLEY FAN AMERICAN 8 | 64 | 66942A | 1 | RETAINERBUMPERFRONTPLTD CL8 | |||
7 | 41945A | 1 | CORDMOTORCLASSIC 8 | 36 | 80025A | 1 | BOLT SHOULDER 3/8 X 2 1/2 | 65 | 31222A | 1 | BUMPER FRONT CLASSIC 12 | ||
8 | 41305A | 2 | CAPACITOR ELECTR 161-193MFD | 37 | 23806A | 1 | Guard, Asm. | 66 | 70046A | 1 | NAMEPLATE, CLASSIC 12 | ||
9 | 41304A | 1 | CAPACITOR OIL FILLED 40MFD | 38 | 85700A | 1 | SCR 1/4 -20X1 HX ST CAP | 67 | 64455A | 1 | HANDLE WLDMTLIFTPNTD8 BELT | ||
10 | 962350 | 2 | SCR 10-32X 1/2 PN ST | 39 | 31221A | 1 | BUMPERSIDE8 BELT SANDER | 68 | 87700A | 4 | SCREW1/4-20 X 1/2 BUTTON HEAD | ||
11 | 930087 | 2 | RIVET 1/8DIA USM AD42BS | 40 | 66932A | 1 | RETAINERBUMPERSIDEPLTD8 B | 69 | 65946A | 1 | MOUNT,MOTOR,REAR (CLASSIC 12) | ||
12 | 74044A | 1 | PLATEDANGERFIRECLASSIC 8 | 41 | 85517A | 11 | SCREW 10-24X1/2 PN SB TP-T PH | 70 | 65304A | 1 | KNOBMOTOR MTG8 BELT SANDER | ||
13 | 85700A | 2 | SCR 1/4 -20X1 HX ST CAP | 42 | 920284 | 2 | NUTSTOPELASTIC1/4-20HEAVY | 71 | 65947A | 1 | MOUNT,MOTOR,FRONT (CLASSIC 12) | ||
14 | 980614 | 2 | WASHER LK 1/4 EXT TOOTHPLTD | 43 | 980657 | 1 | WASHER LOCK 1/4 STD | 72 | 920342 | 4 | NUT LK 3/8-16 REG | ||
15 | 57712A | 1 | RINGRETAININGMOTOR SHAFT8 | 44 | 68393A | 1 | TUBELATCHPNTD8 BELT SANDER | 73 | 68394A | 1 | T-SCREWBELT TENSION8 BELT S | ||
16 | 915098 | 1 | Key, 1/4 Sq. x 1 1/4 | 45 | 60623A | 1 | BRACKETLATCHPNTD8 BELT SAN | 74 | 85703A | 4 | SCR 3/8 -16X1&1/2 HX ST CAP | ||
17 | 66220A | 1 | PULLEYMOTOR C-12 | 46 | 85702A | 1 | SCR 1/4 -20X1&3/4 HX ST CAP | 75 | 77234A | 1 | LABELWARNINGHEAVY OBJECT | ||
18 | 51039A | 1 | BELT-3L280 | 47 | 74043A | 1 | PLATE,DANGER,ELECTROCUTION,CLA | 76 | 51019A | 1 | BELT DRUM 3VX400 CLASSIC 12 | ||
19 | 87034A | 1 | RETAINERMTR PULLEY CLASSIC 8 | 48 | 930093 | 4 | POP RIVET 1/8X1/4-5/16 | 77 | 45604A | 1 | PLUGELECT. NEMA L6-30P | ||
20 | 962288 | 1 | SCREW 3/8-16 X 1.0 HX ST CAP | 49 | 74045A | 1 | PLATEDANGERMOVING PARTSCLAS | 78 | 32357A | 4 | COVERHANDLECLASSIC 8 | ||
21 | 61411A | 1 | PADT-SCREWCLASSIC 12 | 50 | 962216 | 1 | SCREW 3/8-16 X 1-1/4 HX HD | 79 | 77234A | 1 | LABELWARNINGHEAVY OBJECT | ||
22 | 25902A | 1 | MAINFRAME, PAINTED (CLASSIC 12 | 51 | 66145A | 1 | PULLEY,IDLER,8" BELT SANDER | 50564A | 1 | BELL END CALSSIC-12 | |||
23 | 81202A | 1 | NUT 7/16-14 HX ST LH | 66170A | 1 | PULLEY IDLER -3L CLASSIC 8 | 52768A | 1 | Front Cover | ||||
24 | 87002A | 1 | WASHERFLAT | 52 | 81108A | 1 | NUTHEX ELASTIC LOCK3/8-24 | 53999A | 1 | FAN (CLASSIC-12) | |||
25 | 34262A | 3 | GASKETFAN COVER8 BELT SANDE | 53 | 920110 | 1 | NUT LK 5/16-18 REGPLTD | 52770A | 1 | Fan Cover | |||
26 | 23301A | 1 | FAN | 54 | 902619 | 1 | BEARING 580/590 TB16 | 51188A | 1 | BEARING RADIAL BALL CLASSIC 8 | |||
27 | 61602A | 1 | COLLAR | 55 | 57801A | 1 | RING-SNAP 26X1.2 | 902547 | 1 | BEARING 6205 | |||
28 | 902567 | 1 | BEARING BALLDOUBLE SEALED | 56 | 67834A | 1 | SPACER | 40317A | 1 | ARMATURE ASM. (CLASSIC-12) | |||
29 | 22126C | 1 | FAN COVER - BLACK | 57 | 60414A | 1 | ARMIDLERPNTD8 BELT SANDER | 53036A | 1 | Fan Shroud |