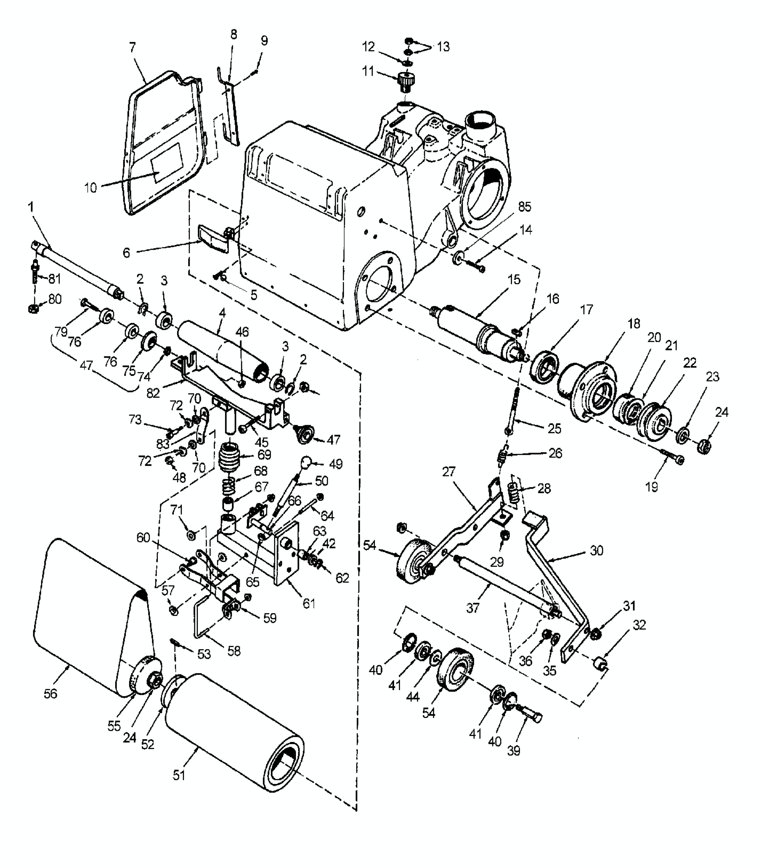
To purchase parts for the CLASSIC 12 (Assembly 1):
- Reference the part needed from the parts diagram and refer to the parts list below.
- Copy the Part Number and paste it into the search window above to see availability and pricing.
- Confirm your parts selection and "Add To Cart".
Item | Part Number | QTY | Description | Item | Part Number | QTY | Description | Item | Part Number | QTY | Description | ||
1 | 67454A | 1 | SHAFT TENSION ROLLER CLASSIC | 27 | 60157B | 1 | ARM TRUCK R.H. CLASSIC 12 | 58 | 65705A | 1 | LINK CLASSIC 12 | ||
2 | 857348 | 2 | RING-SNAP EXTERNAL CLASSIC-8 | 28 | 58689A | 1 | SPRINGTRUCK LEVEL8 BELT SAN | 59 | 65616B | 1 | LEVER ASMDRAWPLTD CLSC 12 | ||
3 | 902550 | 2 | BEARING BALL-6203 | 29 | 920248 | 1 | NUT 3/8-16 ESNA LIGHT | 60 | 961014 | 2 | BOLT SHOULDER 1/4 X 3/8 | ||
4 | 67202A | 1 | ROLLER TENSION CLASSIC 12 | 30 | 68743B | 1 | ARM WLDMT. TRUCK L.H. CLASS | 61 | 68276A | 1 | SUPPORTTENSION ASM. CL-12 | ||
5 | 85517A | 3 | SCREW 10-24X1/2 PN SB TP-T PH | 31 | 81209A | 2 | NUT LARGE FLANGE 1/2-13 | 62 | 797301 | 1 | RING SNAP- 5/8 AXLE | ||
6 | 55710A | 1 | LATCHDRAWCLASSIC 12 | 32 | 67868A | 2 | SPACER, TRUCK WHEEL (CLASSIC 8 | 63 | 1 | Bearing, Sleeve | |||
7 | 22301A | 1 | Access Door | 35 | 980669 | 2 | Lockwasher 1/2 | 64 | 66537A | 1 | PINDRAW LEVER PIVOT CLASSIC | ||
8 | 64506C | 1 | HINGE - BLACK | 36 | 81305A | 2 | NUT JAM 9/16-12 HEX | 65 | 920110 | 1 | NUT LK 5/16-18 REGPLTD | ||
9 | 85386A | 2 | SCREW 10-24X 5/8 PN SZ TP-T PH | 37 | 60156A | 1 | AXLETRUCK CLASSIC 12 | 66 | 61803A | 1 | CAM WLDMTPLTD CLASSIC 12 | ||
10 | 77057A | 1 | LABELBELT TRACKINGCLASSIC 8 | 39 | 85729A | 2 | SCREW HEX HEAD 9/16-12 X 2 | 67 | 1 | Bearing, Sleeve | |||
11 | 65307A | 1 | KNOBSANDING PRESSURE8 BELT | 40 | 747304 | 4 | RING RETAIN ARM BRG 37 | 68 | 53410A | 1 | SPRINGABRASIVETENSION C-12 | ||
12 | 980645 | 1 | WASHER 3/8 FLAT SAE | 41 | 902606 | 4 | BEARING BALL 6002 | 69 | 50719A | 1 | BOOT TENSION SPRING CLASSIC | ||
13 | 920260 | 2 | NUT 3/8 -16 HEX | 42 | 980018 | 1 | WASHER | 70 | 87502A | 6 | WASHER1/4 BOWED C-12 | ||
14 | 86112A | 3 | SCREW3/8-16 X 3/4SOCKET HEAD | 44 | 67862A | 2 | SPACERTRUCK WHEEL.06 THK | 71 | 980646 | 2 | WASHER 1/4 SAE FLAT PLTD | ||
15 | 67455A | 1 | SHAFT ARBOR CLASSIC 12 | 45 | 80020A | 1 | BOLT SHOULDER 1/4 X 1 | 72 | 87503A | 2 | WASHER1/4 BELLEVILLE C-12 | ||
16 | 65305A | 1 | KEY ARBOR PULLEY 8 IN | 46 | 920284 | 2 | NUTSTOPELASTIC1/4-20HEAVY | 73 | 80018A | 2 | BOLT SHOULDER 1/4 X 1/4 | ||
17 | 51172A | 1 | BEARINGBALLDBL/SLS 8 BELT | 47 | 14704A | 2 | GUIDE ROLLER ASMC-12 (SET OF 2) | 74 | 2 | Nut 1/4-20 | |||
18 | 61641A | 1 | CARRIER BEARING CLASSIC 8 | 48 | 920296 | 3 | NUT 10-24 ELASTIC STOP | 75 | 2 | Roller Guide | |||
19 | 86110A | 4 | SCREW3/8-16 X 1SOCKET HEAD | 49 | 815051 | 1 | KNOB HANDLE PE20 | 76 | 4 | Bearing | |||
20 | 51171A | 1 | BEARINGBALLDBL/SLS 8 BELT | 50 | 64467A | 1 | HANDLETENSION RELEASE CLASS | 79 | 2 | Shaft | |||
21 | 57844A | 1 | RINGRETAININGARBOR8 BELT S | 51 | 39856B | 1 | WHEEL CONTACT CLASSIC 12 | 80 | 81303A | 1 | NUT HEX JAM 1/4-28 | ||
22 | 66219A | 1 | PULLEYCONTACT WHEEL C-12 | 52 | 87030A | 1 | RETAINERCONTACT WHEELCLASSIC | 81 | 60150A | 1 | ADJUSTER TRACKING CLASSIC 8 | ||
23 | 87029A | 1 | WASHERPLAIN3/4 NOM | 53 | 65306A | 1 | KEY,CONTACT WHEEL,8" BELT SAND | 82 | 61654B | 1 | CARRIAGETENSION ROLLER C-12 | ||
24 | 81106A | 2 | NUTHEX LOCK3/4-10 | 54 | 19610A | 2 | WHEEL ASM TRUCK 80 A***OBSOLETE**** | 83 | 65704A | 2 | LINKDRAW CLASSIC 12 | ||
25 | 80005A | 1 | BOLT-SWING3/8-16 CFS-2700 | 55 | 38402A | 1 | SHIELD DUST CONTACT WHEEL C | 84 | 19017A | 1 | TENSION ASM ABRASIVE C-12 | ||
26 | 58691A | 1 | SPRING SANDING PRESSURE CLASSI | 57 | 81501A | 4 | PALNUT-1/4 616/620****OBSOLETE**** | 85 | 87000A | 3 | WASHER .39X.75X.09 FLAT ST |