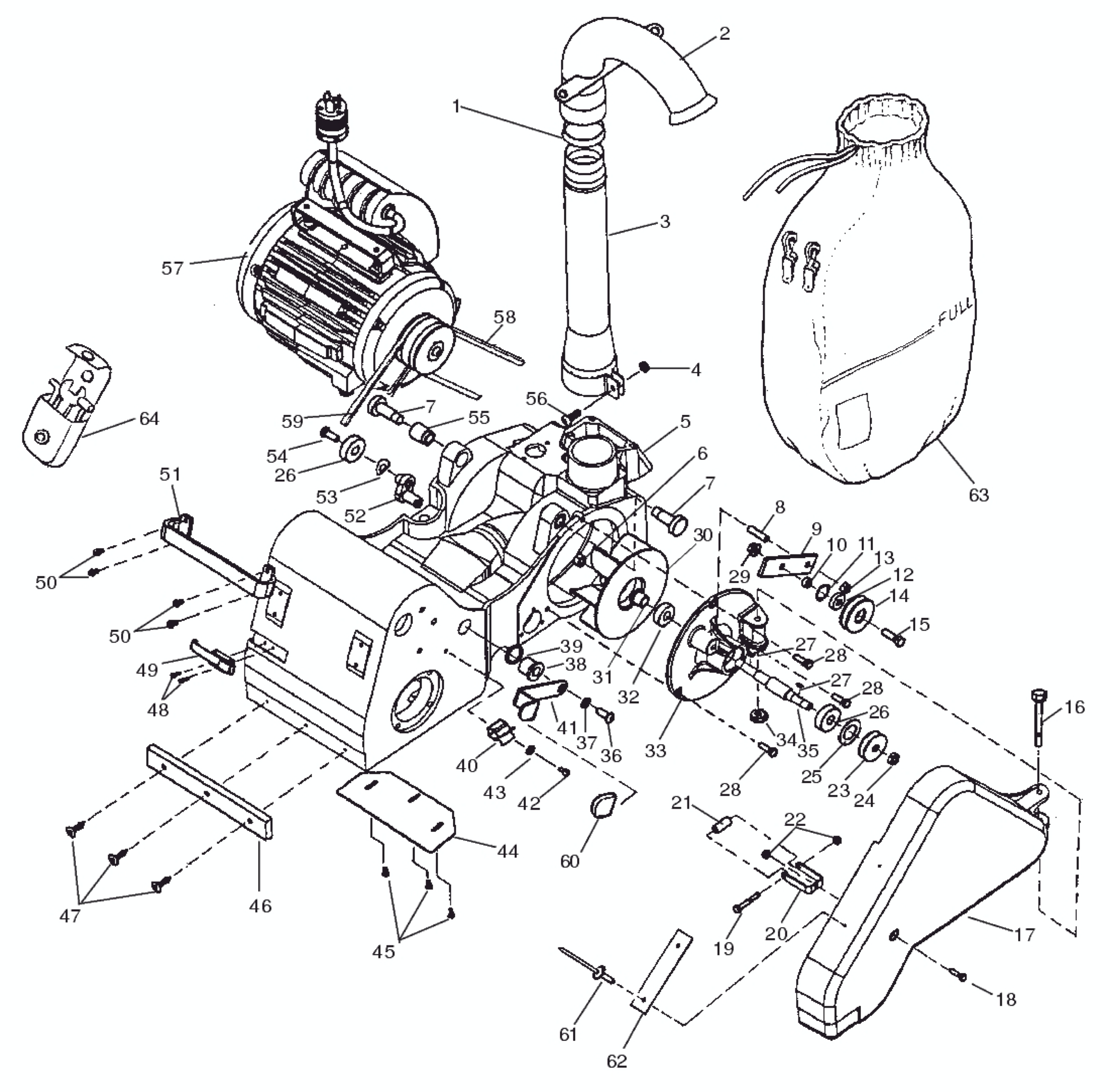
To purchase parts for the Clarke FloorCrafter (Main Assembly):
- Reference the part needed from the parts diagram and refer to the parts list below.
- Copy the Part Number and paste it into the search window above to see availability and pricing.
- Confirm your parts selection and "Add To Cart".
Item | Part Number | QTY | Description | Item | Part Number | QTY | Description | Item | Part Number | QTY | Description | ||
1 | 60342A | 1 | SEAL FELT | 24 | 920196 | 1 | NUT-1/2-13 HEX JAM | 47 | 51219A | 3 | RIVET NYLON CHRISTMAS TREE | ||
2 | 10142A | 1 | ASSY DUCT TUBE ELBOW | 25 | 877304 | 1 | RINGRETAININGINTERNAL8 BEL | 48 | 962727 | 2 | SCREW 8-32X 1/2 PN ST TP23 PH | ||
3 | 10144A | 1 | ASSY DUST TUBE | 26 | 51111A | 2 | BEARINGBALL | 49 | 52338A | 1 | LATCH DRAW OVER-CENTER | ||
4 | 920342 | 1 | NUT LK 3/8-16 REG | 27 | 915561 | 2 | HP404 KEY HARDENED | 50 | 87700A | 5 | SCREW1/4-20 X 1/2 BUTTON HEAD | ||
5 | 20022A | 1 | MAINFRAME FLOORCRAFTER 8 | 28 | 85812A | 3 | SCREW5/16-18 X 7/8 HEX HD GR5 | 51 | 60386A | 1 | HANDLE MAINFRAME | ||
6 | 81202A | 1 | NUT 7/16-14 HX ST LH | 29 | 171101 | 1 | NUT LK-FLANGE 3/8-16 PLTD | 52 | 51093A | 1 | CAM BELT RELEASE | ||
7 | 60476A | 2 | PIN MOTOR MOUNT | 30 | 23301A | 1 | FAN | 53 | 60482A | 1 | SPACER | ||
8 | 68010A | 1 | STUDIDLER ARM8 BELT SANDER | 31 | 61602A | 1 | COLLAR | 54 | 962565 | 1 | SCR 3/8 -16X 3/4 BT ST NC3 | ||
9 | 60414A | 1 | ARMIDLERPNTD8 BELT SANDER | 32 | 902567 | 1 | BEARING BALLDOUBLE SEALED | 55 | 60475A | 2 | FASTENER MOTOR | ||
10 | 67875A | 1 | SPACER CLASSIC 8 | 33 | 20026A | 1 | COVER FAN | 56 | 962216 | 1 | SCREW 3/8-16 X 1-1/4 HX HD | ||
11 | 57801A | 1 | RING-SNAP 26X1.2 | 34 | 920110 | 1 | NUT LK 5/16-18 REGPLTD | 57 | 1 | Assembly, Motor | |||
12 | 902619 | 1 | BEARING 580/590 TB16 | 35 | 60370A | 1 | SHAFT FAN | 58 | 51039A | 1 | BELT-3L280 | ||
13 | 81108A | 1 | NUTHEX ELASTIC LOCK3/8-24 | 36 | 962870 | 1 | SCR 3/8 -16X1 BT ST ALLEN | 59 | 51024A | 1 | BELT DRUM AMERICAN 8 | ||
14 | 66170A | 1 | PULLEY IDLER -3L CLASSIC 8 | 37 | 87000A | 1 | WASHER .39X.75X.09 FLAT ST | 60 | 52420A | 1 | COVER LEVER | ||
15 | 962216 | 1 | SCREW 3/8-16 X 1-1/4 HX HD | 38 | 51215A | 1 | BEARING FLANGE 5/8X1X1 | 61 | 930093 | 2 | POP RIVET 1/8X1/4-5/16 | ||
16 | 80017A | 1 | BOLT SHOULDER 3/8 X 2 3/4 | 39 | 87052A | 2 | WASHER FLT 1.25X1.00X.020NYLON | 62 | 74045A | 1 | PLATEDANGERMOVING PARTSCLAS | ||
17 | 20023A | 1 | GUARD BELT | 40 | 61600A | 1 | CLIP-DUST | 63 | 50954A | 1 | BAG DUST SANDERS | ||
18 | 80131A | 1 | SCREW 1/4-20X3/4 RH CARRIAGE | 41 | 60368A | 1 | LEVER BELT TENSIONING | 64 | 10332A | 1 | BELT SANDER TOOL KIT | ||
19 | 85702A | 1 | SCR 1/4 -20X1&3/4 HX ST CAP | 42 | 86111A | 1 | SCREW1/4-20 X 1/2SOCKET HEAD | 51273A | 1 | KEY HEX 3/32 | |||
20 | 60384A | 1 | BRACKET LATCH | 43 | 980657 | 1 | WASHER LOCK 1/4 STD | 51274A | 1 | KEY HEX 7/32 | |||
21 | 68393A | 1 | TUBELATCHPNTD8 BELT SANDER | 44 | 60397A | 1 | COVER DUST THROAT | 51347A | 1 | POUCH TOOL | |||
22 | 81102A | 2 | NUT STOP ELASTIC 1/4-20 HEX | 45 | 85517A | 13 | SCREW 10-24X1/2 PN SB TP-T PH | 59810A | 2 | WRENCH-PAPER CLAMP 9/16 X 7/1 | |||
23 | 60366A | 1 | PULLEY FAN | 46 | 60392A | 1 | BUMPER FRONT |