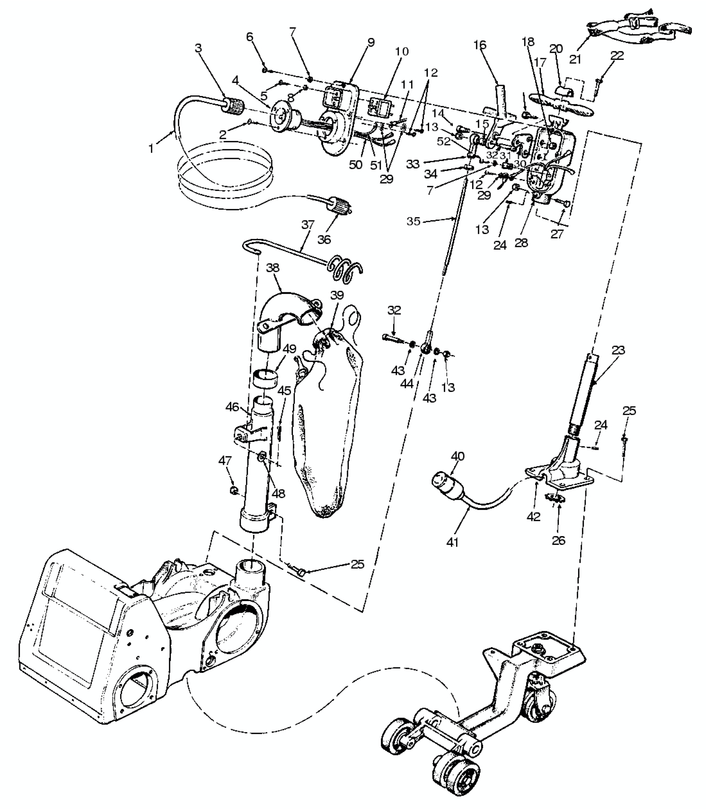
To purchase parts for the Apollo 8 (Assembly 3):
- Reference the part needed from the parts diagram and refer to the parts list below.
- Copy the Part Number and paste it into the search window above to see availability and pricing.
- Confirm your parts selection and "Add To Cart".
Item | Part Number | QTY | Description | Item | Part Number | QTY | Description | Item | Part Number | QTY | Description | ||
1 | 42201A | 1 | CORDSET- HARD SERVICE 100FT | 18 | 81102A | 2 | NUT STOP ELASTIC 1/4-20 HEX | 36 | 45608A | 1 | PLUGELECTRICAL NEMA L6-20P | ||
42302A | 1 | CORD,POWER,240 V, CLASSIC 8 | 19 | 64405A | 1 | HANDLE-STEERING | 37 | 60401A | 1 | ARM-CABLE | |||
2 | 962065 | 3 | SCREW 8-32 X 1/4 PN ST PH | 20 | 21904C | 1 | CLAMP STEERING HANDLE - BLACK | 38 | 62800A | 1 | PIPE ASSY | ||
3 | 41706A | 1 | CONNECTOR ELECT. NEMA L6-20R | 21 | 60724A | 1 | BELT-OPERATING | 39 | 60721A | 1 | BAG ASSEM. 8&12 SANDERS | ||
4 | 43501A | 1 | INLETFLANGED NEMA L6-20P | 22 | 85818A | 1 | SCREW5/16-18 X 2 1/2 HX HD | 40 | 41707A | 1 | CONNECTOR ELECT. NEMA L6-30R | ||
5 | 85313C | 4 | SCREW 6-32 X 3/8 PAN HD | 23 | 60016A | 1 | PIPE, HANDLE (DELCO BLACK) | 41 | 41917A | 1 | CORD-INTERCONNECTING | ||
6 | 962794 | 5 | SCREW 10-24X1 PN ST PH | 24 | 86200A | 2 | SCR 3/8 -16X 5/8 ST ST DOGPT | 42 | 23200C | 1 | HANDLE MOUNT - BLACK | ||
7 | 980650 | 7 | WASH .19 x .34 x .04 LOCK | 25 | 962288 | 5 | SCREW 3/8-16 X 1.0 HX ST CAP | 43 | 980022 | 2 | WASHER WAVE | ||
8 | 980607 | 4 | WASHER 6 EXT TOOTH PLTD | 26 | 82104A | 1 | NUT,LOCK,3/4 CONDUIT | 44 | 53538A | 1 | ROD END 3/8-24 L.H. FEMALE | ||
9 | 22127C | 1 | COVER SWITCH BOX - BLACK | 27 | 85816A | 1 | SCREW 5/16-18 X 1 3/4 HX HD | 45 | 925036 | 1 | PIN-3/32X3/4 COTTER | ||
10 | 41411A | 1 | CIRCUIT BREAKER 30 AMP | 28 | 20704C | 1 | SWITCH BOX - BLACK | 46 | 66150A | 1 | PIPE WLDMT DUST CLASSIC 8 | ||
11 | 48901A | 1 | WIRE ASSEMBLY | 29 | 980699 | 3 | WASHER SH 1210-00 | 47 | 920342 | 1 | NUT LK 3/8-16 REG | ||
12 | 962015 | 5 | SCREW 10-24 X 3/8 PN ST PH | 30 | 69441A | 1 | BRACKET, CONTROL LEVER | 48 | 980651 | 1 | WASHER 5/16 SAE FLAT | ||
13 | 920110 | 4 | NUT LK 5/16-18 REGPLTD | 31 | 51074A | 2 | CLAMP CABLE | 49 | 38109A | 1 | SEAL DUST PIPE FLOOR SANDERS | ||
14 | 80022A | 1 | BOLT SHOULDER 1/2 X 5/8 | 32 | 80035A | 2 | BOLT SHOULDER 3/8 X 1 1/4 | 50 | 49023A | 2 | WIRE ASSEMBLY | ||
15 | 898203 | 1 | SPACER ROD END HK-8 | 33 | 53537A | 1 | ROD END 3/8-24 R.H. FEMALE | 51 | 48901A | 1 | WIRE ASSEMBLY | ||
16 | 25603A | 1 | LEVER CONTROL HK-8 | 34 | 920204 | 1 | NUT-3/8-24 HEX JAM | 52 | 85517A | 2 | SCREW 10-24X1/2 PN SB TP-T PH | ||
17 | 962481 | 2 | SCR 1/4-20 X 1-1/4 HEX ST CAP | 35 | 67150A | 1 | ROD CONTROL HK-8 | 77039B | 1 | LABEL MADE IN THE USA |