X
X
X
X
X
X
X
X
X
X
X
X
X
X
X
X
X
X
X
X
X
X
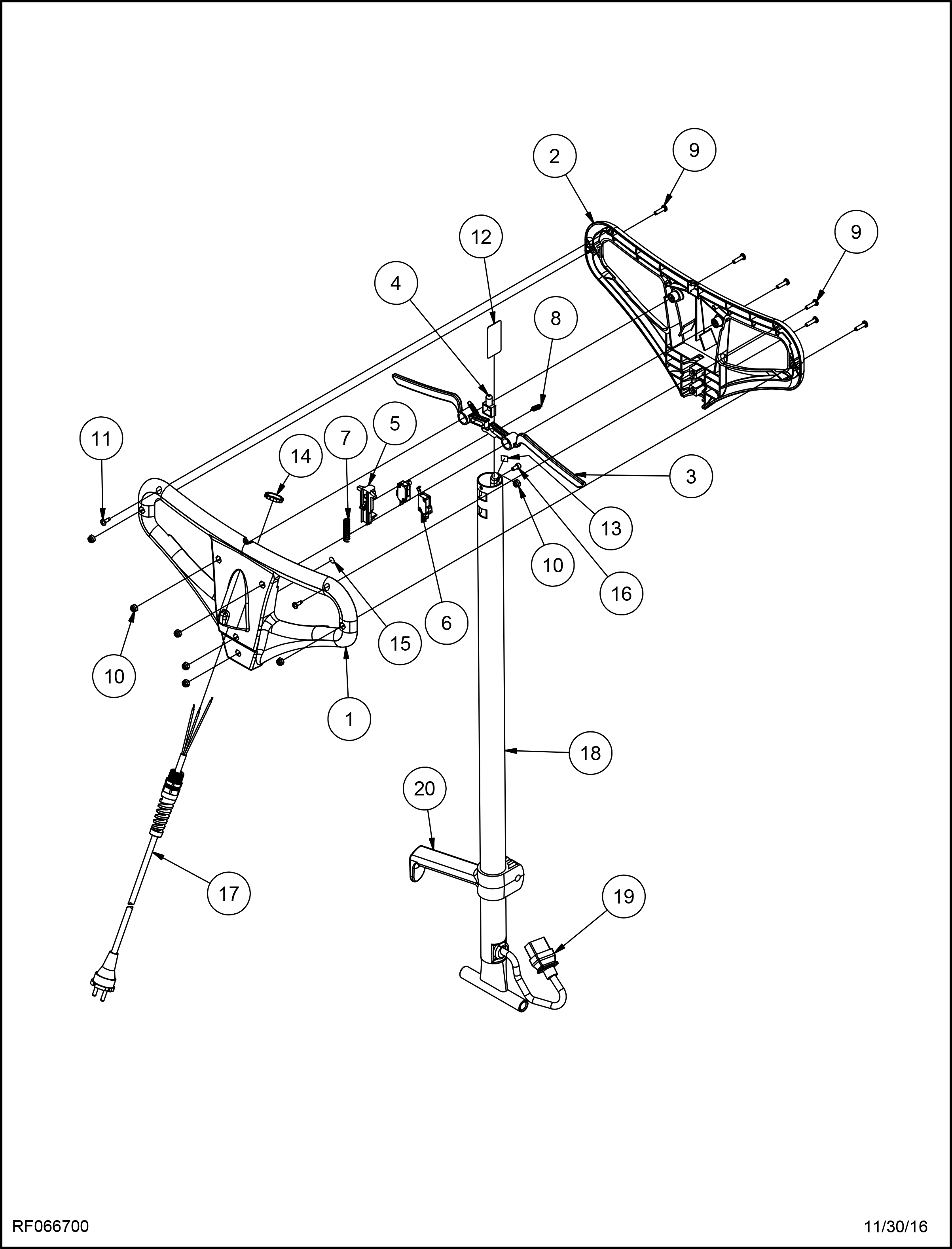
RS-16
Handle Assembly























| Item | Part Number | Qty | Description | Item | Part Number | Qty | Description |
| 1 | 71119A | 1 | Label | 21 | 10242A | 1 | Pad Driver |
| 2 | 21074A | 1 | Handle Front | NI | 460215 | 1 | Hard Plate (Option 1) |
| 3 | 10687A | 1 | Module | 23 | 80294A | 4 | Screw, 5/16 |
| 4 | 80290A | 4 | Screw, 10-32 x 3/8 | 25 | 56381944 | 1 | Hsg Brush Asm 17 DC (DC) |
| 5 | 87024A | 1 | Washer | 11006A | 1 | Assembly Housing 17 (STD) | |
| 6 | 21075A | 1 | Handle Back | 26 | 21088A | 1 | Main Frame |
| 7 | 80284A | 6 | Screw, 10-32 x 3/4 | 27 | 53650A | 1 | Motor (120V) |
| 8 | 61373A | 1 | Handle Tube | 53652A | 1 | Motor (230V) | |
| 9 | 10304A | 1 | Adaptor (DC) | 28 | 70499A | 1 | Label |
| 10 | 88643A | 1 | Bolt Carriage 5/16-18x1 1/4 (DC) | 29 | 39857A | 2 | Wheel |
| 12 | 40789A | 1 | Cord Interconnect | 30 | 80292A | 2 | Screw, ¼-20 x 1 |
| 13 | 40919A | 1 | Cord, Power (120V) | 31 | 56109699 | 1 | Cam Assy With Grip NOTE 1 |
| 40524A | 1 | Cord-Power (230V) | 35 | 980349 | 1 | Washer | |
| 14 | 30407B | 1 | Hose, Squeegee (DC) | 36 | 50781A | 1 | Clamp |
| 15 | 980648 | 2 | Washer, ½ | 37 | 920342 | 1 | Nut, 3/8 |
| 16 | 80295A | 2 | Washer, Bowed | 38 | 61716A | 1 | Cover |
| 17 | 53833A | 2 | Pin, ½ | 39 | 71120A | 1 | Label |
| 18 | 61725A | 1 | Axle | 40 | 920110 | 1 | Nut, 5/16 (DC) |
| 19 | 61915A | 1 | Shield, Inner (DC) | 41 | 61740A | 1 | Link Arm, Left |
| 20 | 30725A | 1 | Skirt (DC) | 42 | 61741A | 1 | Link Arm, Right |
| NOTE 1: The old handle assembly consisting of the following parts (56057675, 53662A, 461404, 441301) | |||||||
| is no longer available. If you need to replace any of these components please order 56109699. | |||||||