| Item | Part Number | QTY | Description | | Item | Part Number | QTY | Description | | Item | Part Number | QTY | Description |
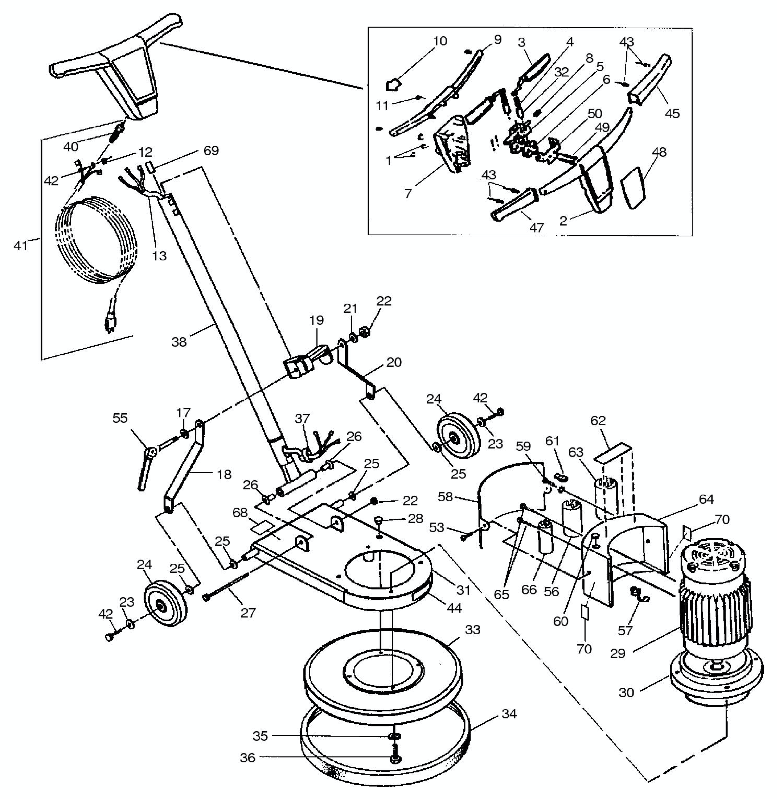
| 1 | 962289 | 9 | SCREW 1/4-20 X 3/4 SOCKET HD | | 29 | 40138A | 1 | MOTOR 1.5 HP SANDER | | 57 | 51523A | 1 | BUSHING STRAIN RELIEF |
| 2 | 24508A | 1 | HOUSING-SWITCH FRONT | | 30 | 50979A | 1 | GEARBOX 10 TO 1 SANDER | | 58 | 62667A | 1 | COVERENCLOSURE OBS-18 |
| 3 | 50514A | 2 | Thru Bolt | | 31 | 50986A | 1 | FRAME MAIN SANDER | | 59 | 85833A | 1 | SCREW MACHINE 10-32 TYPE 23 |
| 4 | 508340 | 2 | SPRING-SWITCH LEVER FM | | 32 | 500241 | 2 | ADAPTER SWITCH FM | | 60 | 57165A | 1 | PLUG NYLON HOLE 3DS |
| 5 | 38004A | 1 | STOP-SWITCH INTERLOCK | | 33 | 50987A | 1 | SHIELD BRUSH 16 GREY | | 61 | 170667 | 2 | CONNECTORWIRE NUT 74B-YELLOW |
| 6 | 911689 | 2 | PLUG FEMALE TWIST LOCK 903 | | 34 | 50782A | 1 | BUMPER SHIELD 16 C2K | | 62 | 77195A | 1 | DECAL-UL WARNING |
| 7 | 22109A | 1 | COVER-SWITCH HOUSING | | 35 | 980652 | 4 | WASHER LK 5/16 REGPLTD | | 63 | 41312A | 1 | CAPACITOR START 400-480MFD125V |
| 8 | 67900A | 1 | SPRING-SWITCH LEVER | | 36 | 85817A | 4 | SCREW5/16-18 X 2.0 HEX HD GR5 | | 64 | 22906A | 1 | ENCLOSUREMTR STRPNTD OBS-18 |
| 9 | 24507A | 1 | HOUSING HANDLE/SWITCH FM 150 | | 37 | 50796A | 1 | BUSHING CORD C2K | | 65 | 962892 | 2 | SCR 1/4 -20X 3/4 PN ST |
| 10 | 445178 | 1 | LABEL-INTER LOCK | | 38 | 53742A | 1 | TUBE HANDLE 1600 SANDER | | 66 | 47409A | 1 | SWITCH STARTER50A EZ-8 ONLY |
| 11 | 962391 | 1 | SCREW 10-24X1 SC ST CAP | | 39 | 42207A | 1 | CORDSET ROUGH NEMA 5-15/14 | | 68 | 73285A | 1 | LABEL-WARNING |
| 12 | 920722 | 1 | NUT 10-32 ELASTIC STOP ZN.PL. | | 40 | 50797A | 1 | RELIEF STRAIN C2K | | 69 | 50930A | 1 | CORD RETAINER C2K |
| 13 | 40927A | 1 | CORD INTERCONNECT | | 41 | 908275 | 1 | CORD ASM EXT. 50 FM1500-170 | | 70 | 77234A | 2 | LABELWARNINGHEAVY OBJECT |
| 17 | 980349 | 1 | WASHER WEAR CAM | | 42 | 85383A | 3 | SCREW 10-32 X 3/4 PAN HD | | | 56380639 | 1 | DECAL-PROP 65 |
| 18 | 52348A | 1 | LINK ARM RIGHT | | 43 | 930108 | 4 | RIVET RED 1/8X3/8 | | | 37007A | | PAD DRIVER-15 SUPERGRIP/SHWRF |
| 19 | 50781A | 1 | CLAMP HANDLE C2K | | 44 | 70499A | 1 | LABEL CAS | | | 460215 | | ADAPTER ASM SANDING 15 3/4 |
| 20 | 52349A | 1 | LINK ARM LEFT | | 45 | 34612A | 1 | GRIP HANDLE LEFT FM POLISHE | | | 674117 | | HOSE-1 1/2 IDX50 GRAY |
| 21 | 980645 | 1 | WASHER 3/8 FLAT SAE | | 46 | 82100A | 1 | LOCKNUT 1/2 CONDUIT | | | 632418 | | CUFF HOSE 1 1/2 X 1 1/2 |
| 22 | 920342 | 2 | NUT LK 3/8-16 REG | | 47 | 34613A | 1 | GRIP HANDLE RIGHT FM POLISH | | | 682408 | | HOSE-CONNECTOR 1 1/2 TB60/80 |
| 23 | 87035A | 2 | WASHER 10 FENDERSS | | 48 | 71141A | 1 | LABEL HANDLE 1600 SANDER | | | 639804 | | WAND ASSEMBLY CURVED 1 1/2 |
| 24 | 50793A | 2 | WHEEL 5 C2K W/SPACER | | 49 | 84807A | 2 | SCREW 6-32 X 1 5/8 PAN HD | | | 638820 | | TOOL-FELT SHOD 14 1 1/2 |
| 25 | 87050A | 2 | WASHER FLT 1.0 X .63 X .06 NYL | | 50 | 61120A | 1 | BRACKET-SWITCH STOP | | | 674114 | | HOSE VACUUM 1.5 X 10 |
| 26 | 50794A | 2 | BUSHING NYLON C2K | | 53 | 962727 | 2 | SCREW 8-32X 1/2 PN ST TP23 PH | | | 634118 | | HOSE VAC 15X1 1/2 |
| 27 | 80087A | 1 | SCREW 3/8-16 X 6 | | 55 | 56109699 | 1 | CAM ASSY WITH GRIP | | | 68805A | | WEIGHTMACHINE S-16 |
| 28 | 57120A | 1 | PLUG-BUTTON | | 56 | 41311A | 1 | CAPACITORRUN25MFD 370V | | | | | |